Incalzire prin pardoseala
Încălzirea prin pardoseală
	 
- CONFORTABIL
- IGIENIC
- ESTETIC
- ECONOMIC
Confortul termic
	 
Distribuția ideală a căldurii Încălzire prin pardoseală
	 
Încălzire de tavan Încălzire cu radiatoare
	 
- radiatoarele produc un flux puternic de aer în încăpere
- încălzirea prin pardoseală radiază uniform, fără turbulențe
Igienic
- fără curenți de aer
- fără transport de praf
- fără praf și pollen ars
- umiditate constantă
- pardoseală/covoare uscate
Economic
- sistem de încălzire de joasă temperatură – temperatură tur maxim 45 °C
T aer cu 2°C mai mic decât la încălziri tradiționale
T tur redus – folosirea eficientă a surselor de încălzire de joasă temperatură:
- microcentrale cu condensare,
- pompe de căldură,
- instalații solare etc.
Nu se încălzește tavanul – adecvat:
- biserici
- hale
- săli de sport etc.
Estetic
- nu ocupă spațiu suplimentar
- mai multe posibilități de structurare a casei
- mai multe soluții arhitecturale
- libertate mai mare în amenajări interioare
Structura pardoselei
Modul de alcătuire a sistemelor de încălzire prin pardoseală cu șapă umedă conform EN 1264-4
  
	 
- Tencuială interioară;
- Plintă;
- Bandă perimetrală;
- Suprafața finită;
- Pat de mortar;
- Șapă de ciment;
- Țeavă;
- Folie acoperitoare;
- Izolație termică și fonică;
- Izolație construcție;
- Planșeu de beton;
- Sol;
Înălțimea structurii cu șapă de ciment
	 
- Dimensiune variabilă în funcție de finisaj
* Șapă de ciment
** Șapă de ciment armat
Forme de pozare a conductelor
Care este mai bună?
	 
	 
	 
	 
Componentele sistemului
Sistem de încălzire în pardoseală
	 
Țeavă FIV PE-Xc cu barieră EVOH contra difuziei oxigenului
- dimensiuni: 16x2 mm
- Tmax=90 oC, Pmax= 10 bar
- lungime colac: 200 m și 600 m
- durată minimă de viață 50 ani
	 
Placă cu nuturi din polistiren de înaltă densitate
- rezistentă la compresiune
- pozarea mult mai ușoară a țevilor
- asamblare ușoară și sigură din cauza laturilor cu profil special
- nu trebuie pozat pe folie PE
- grosime 2 cm
	 
Bandă perimetrală pentru compensarea dilatării termice a șapei
- pentru împiedicarea formării punților termice
- lungime colac: 25 m
- dimensiuni: 10/100 mm
	 
Ansamblu distribuitor colector cu debitmetre
- D/C 1”, racorduri cu filet 24x19
- cu debitmetre pe tur cu presetare dinamică, 0-4 l/min
- cu ventile termostatice pe retur
- vizor schimbabil fără golire și dereglare
- până la 12 circuite
- din alamă – nichelată
	 
Accesorii distribuitor-colector
- kit robinete cu termometre
- kit robinete colțari
- piesă de capăt cu aerisitor și golire
- racord demontabil 16x2 (filet 24x19)
- racord semiolandez mixt presare 16x2 (filet 24x19)
Ansamblul distribuitor-colector
	 
1a – ridicați și rotiți inelul în sens invers acelor de ceasornic până la deschiderea completă a ventilului
1b – trageți în jos inelul și prin rotirea debitmetrului setați debitul dorit
2 – ridicați inelul, până se aude un click, indicând poziția corectă
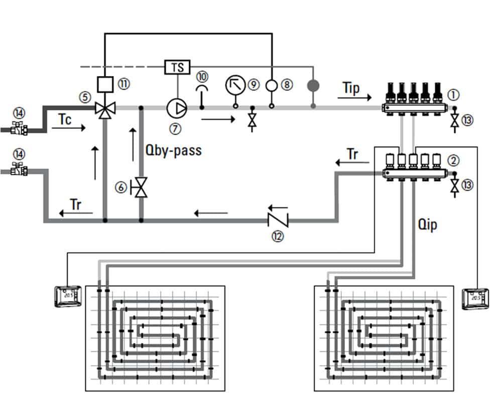
Kitul de reglare temperatură
	 
Unitate de reglare temperatură
- cap termostatic cu senzor de temperatură la distanță, cu rolul de a controla temperatura de intrare a agentului în distribuitor
- vană de amestec cu patru căi termostatic pentru amestecarea corespunzătoare a agentului termic
- by-pass reglabil
- aerisitor automat
- cap termostatic cu senzor la distanță
- termometru
- suport
- *pompa se comanda separat, lungime racord 130 mm
- debitmetrul permite reglarea debitului de agent ce trece prin circuit
- pompa de circulație realizează circulația agentului
- termostatul de siguranță decuplează pompa, în caz de depășire a temperaturii de siguranță
PÂNĂ LA 12 CIRCUITE!
	 
	 
	 
- Normal închis
- M30
- 230V / 3,45 VA
- IP44 (în poziție verticală)
- timp acționare: 5-6 min
- cu micro întrerupător de 230V / 5 A
Asigurare pentru sisteme de presare FIV
	 
Pentru sisteme FIV cu țeava multistrat + fitinguri presare, partenerul nostru producător din Italia, FIV, are o asigurare prin care, în caz de nevoie, se acoperă și costurile privind înlocuirea pagubelor materiale cauzate de produsul defect, în valoare de:
- 4.000.000 Euro pentru asigurări de persoane și bunuri
- 400.000 Euro pentru asigurări de întrerupere a activității și a înlocuirii produselor defecte
Această asigurare vine în completarea garanției oferită de producător.
	 
- comandă maxim 22 actuatoare termostatice via maxim 8 termostate de cameră cu fir, din care:
- 3 termostate pot comanda maxim 12 actuatoare (câte 4/termostat)
- 5 termostate pot comanda maxim 10 actuatoare (câte 2/termostat)
- o ieșire 230 V pentru pompă
- un contact fără tensiune (COM/ NO/ NC)
Regleta de cleme Tech EU 8L
	 
- comandă max. 22 actuatoare termostatice via maxim 8 senzori C-8 r, R-8 Z, R-8 k, din care
- 3 senzori/termostate pot comanda maxim 12 actuatoare (câte 4/termostat)
- 5 senzori/termostate pot comanda maxim 10 actuatoare (câte 2/termostat)
- o ieșire 230 V pentru pompă
- un contact fără tensiune (COM/ NO/ NC)
	 
- cutii metalice cu montare în perete
- adâncime reglabilă 100-170 mm
- înălțime reglabilă 575-665 mm
Soluții chimice
	 
Aditivul pentru șapă FLOOR PROTECT
- ajută la plastifierea șapei pentru o prelucrare mai ușoară
- mărește conductivitatea termică a șapei
- mărește rezistența mecanică a șapei
- dozaj: 0,2 kg / m2
Protector antibacterian BIOREDUCT
- biocid și fungicid necoroziv, care împiedică formarea algelor și micro-organismelor în sisteme care operează la temperaturi scăzute (sub 60 °C)
- compatibil cu toate materialele prezente în mod normal în instalație
- dozaj între 1-2 litri de inhibitor, pentru fiecare 100 litri agent termic
Accesorii
	 
- fortifică țevile la baza cutiei de distribuitor-colector
- ajută la fixarea țevilor la punctele critice cum ar fi curbele
- pentru protejarea țevilor la trecerea rosturilor de dilatare
Limitator de temperatură RTL Heimeier
	 
- Regulator de temperatură pe retur RTL până 15 m2
- Regulator de temperatură pe retur Multibox până la 20 m2

 
                         
                         
                         
                        